Addendum:
|
CID135: TS1624cAS294rt [TS1624cASI294rtT224] |
updated: 2026-01-23 |
replaces CID002 for TS1624s
all measures in mm
Main Features:
- Telescope: TSO 203/1624 RC Pro Carbon
- 65 mm tube extension (1x 50mm extension + 15mm tilting adapter)
- Rack & Pinion Focuser
- Camera: ZWO ASI294 MC Pro Color
- Other components:
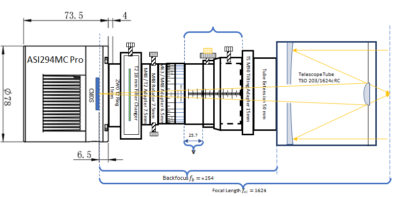
Configuration Schematic
Picture: CID135-TS1624cAS294rt-Drawing - click to enlarge

Table: CID135-TS1624AS294rt-CamTail
Important: When using filters, add 1/3 of the filter thickness in mm to the standard backfocus length!
e.g: Optolong I-eXtreme filter with 2mm thickness adds 0.67mm or 203 EAF steps to the backfocus.
Configuration Details:
Created with the Personal Edition of HelpNDoc: Easily create CHM Help documents
